Welcome to Wuxi Tongyang machinery technology Co.,Ltd. website
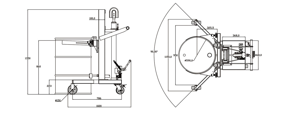
◆Ergonomic solution for lifting , transporting and weighting drums;
◆The structure is suitable for 55 gallon steel drums and 200L rimmed plastic drums.
| Model | DTF350K | |
| Capacity | kg | 350 |
| Drum Size | mm | 210 Lifters or 55gallon |
| Lifting Height | mm | 680 |


ADD: No.38 YanSheng Road, Yanqiao Industrial Park, Huishan District, Wuxi, Jiangsu, China